キャスター交換のポイント 種類・特徴・選び方を紹介
2026.01.22 更新
目次
そのキャスター、そろそろ交換時期かもしれません
台車のキャスターを交換したほうがいい気はするものの、
「どのタイミングで交換すればいいのか分からない」「今の状態が普通なのか判断できない」
そんな理由で、このページをご覧になっている方も多いのではないでしょうか。
キャスターは少しずつ消耗していく部品のため、
壊れていなくても、使いにくさを感じ始めた時点で交換を検討するタイミングに入っていることがあります。
まずは、台車が次のような状態になっていないか、確認してみてください。
ひとつでも当てはまる場合は、キャスター交換を考える目安になります。
- 動きが重くなった
- 車輪や軸が摩耗している可能性があります。
- 床に黒い跡がつく・タイヤが剥がれ落ちる
- タイヤ自体が劣化している可能性があります。
- 異音がする
- 内部のベアリングが傷んでいる可能性があります。
- タイヤが割れている・欠けている
- 床材に影響するため、早めの交換が必要です。
これらは、キャスターが本来の性能を発揮できなくなっているサインです。
キャスターの異常を放置すると、機器本体や床材を傷める原因になります。早めに点検・交換を行いましょう。
台車のキャスター 交換できるんです!
「キャスターが傷んだら、台車は丸ごと買い替えないといけないのでは?」
そう思われがちですが、台車のキャスターは交換できる部品です。
キャスターの取付方法やサイズなど、対応条件をきちんと確認すれば、
台車本体はそのままに、キャスターだけを交換することが可能です。
このあと、キャスターを選ぶ際に知っておきたい種類や、
お使いの台車に取り付けできるかを確認する方法について案内していきます。
※台車のキャスター交換方法は別記事で案内しています。
▶ 台車のキャスター交換方法についてはこちら
キャスターの種類
物流現場でよく使われる台車・コンテナ台車のキャスターは、用途に合わせて種類が分かれます。
■走行方法
自在キャスター
自在キャスター(旋回式キャスター)とは、車輪が360度回転して、自由に方向転換できるタイプのキャスターです。
狭い通路や方向転換の多い場所で使いやすく、台車やコンテナ台車などでよく採用されています。
固定キャスター
固定キャスター(固定式キャスター)は、車輪の進行方向が固定されているタイプです。
前後にしか動かないため、直線的な移動に向いており、安定感のある走行が特徴です。
すべてを自在キャスターにすると小回りが利きやすく、すべてを固定キャスターにすると直進性が高くなります。
自在キャスターと固定キャスターを組み合わせて使うのが一般的です。
進行方向に自在キャスター、押し手側に固定キャスターをつけると、まっすぐ走りやすく安定します。
逆に、進行方向に固定キャスター、押し手側に自在キャスターを配置すると、小回りが利きやすく、軽い力で旋回できます。
■タイヤ素材
ゴム製 ▶屋外・凹凸床向き
グリップ力が高く、走行時の振動や音を抑えられる素材です。
コンクリート床やアスファルトなど、多少の凹凸がある場所でもスムーズに動かせます。
床材によっては黒い跡が残ることがあるため、室内では注意が必要です。
ナイロン製 ▶滑らかな床・重量物向き
硬くて摩耗に強く、軽い力で転がりやすいのが特長です。
滑らかな床面(Pタイル・エポキシ樹脂床など)での使用に適しており、耐久性にも優れているため、重量物の搬送に多く使われます。
硬いため、フローリングでは床を傷つける可能性があります
TPR製 ▶室内・静音・床保護向き
ゴムのような弾性と、プラスチックの耐摩耗性を併せ持つ素材です。
静音性が高く、フローリングや樹脂床を傷つけにくいのが特長です。
医療・オフィス・食品工場など、衛生面を重視する環境にも向いています。
このほかにも、環境や用途に合わせてさまざまな素材があります。
たとえば、ウレタン製は耐摩耗性と静音性のバランスが良く、フローリング対応のチェアやOA機器に最適。
また、鋳鉄製やステンレス製は高荷重・耐熱性に優れ、屋外や特殊環境で使われることが多い素材です。
使用目的や床の状態に合わせて、最適なタイヤ素材を選ぶことで、安全で快適な走行を実現できます。
■車輪径
車輪径とは、キャスターのタイヤ部分の直径のこと。
このサイズによって、走行のスムーズさ・段差の乗り越えやすさ・取り付け高さが大きく変わります。
一般的に、車輪径が大きいほど軽い力で動かせ、段差にも強くなります。
その反面、取り付け時の全高も高くなるため、機器や台車の高さが変わる点に注意が必要です。
一方、車輪径が小さいキャスターは全高を抑えられるため、
低い位置に重心を置きたい場合や限られたスペースでの使用に向いています。
■ストッパー
ストッパーとは、キャスターを固定して動かないようにするための機構です。
台車や機器を停止させたときに、勝手に動いてしまうのを防ぐために使われます。
作業中の安全確保や、荷物の積み降ろし時に欠かせない機能です。
ストッパーがない台車でも、ストッパー付きキャスターに交換することで、機能を追加することが可能です。
対応キャスターの確認方法
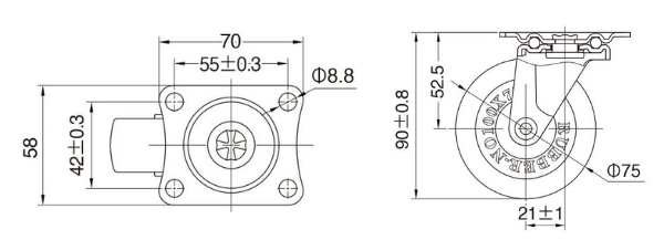
キャスターを交換する際は、まず台車側の取付寸法を正確に測定することが大切です。
次のポイントをチェックしましょう。
1台車側仕様の確認
- 取付寸法 :取付穴の間隔を縦・横方向で測定します。
- 取付穴径:取付ボルトが通る穴の直径を測ります。
- 取付座サイズ:キャスターを取り付けるプレート部分の縦・横サイズを確認します。
- 取付高と車輪径 :キャスターを取り付けた際の全高と、車輪の直径を測定します。
2キャスターの選定
確認した寸法をもとに、対応するキャスターを探します。
- 取付座サイズ:台車の取付板内に収まるかを確認します。
- 取付寸法・取付穴径:取付穴の位置と径が近い寸法であるかを確認します。
- 取付高と車輪径:現在のキャスターと近い寸法であるかを確認します。
サンワサプライ 交換用キャスターラインナップ
弊社でご用意しているキャスターの一覧表です。
下記の表から、用途や材質、サイズに合った仕様のキャスターをお選びください。
「車輪径」と「素材」を現在使用しているキャスターと合わせると、交換後も違和感なく使えます。
品番をクリックすると、各製品ページをご覧いただけます。
| 品番 | 車輪径 | タイプ | ストッパー | 素材 |
|---|---|---|---|---|
| CST-75E-FIX2 | 75mm | 固定 | - | ゴム |
| CST-75E-FRE2 | 75mm | フリー | - | ゴム |
| CST-75E-FRST2 | 75mm | フリー | ● | ゴム |
| CST-75N-FIX2 | 75mm | 固定 | - | ナイロン |
| CST-75N-FRE2 | 75mm | フリー | - | ナイロン |
| CST-75N-FRST2 | 75mm | フリー | ● | ナイロン |
| CST-75TP-FIX2 | 75mm | 固定 | - | TPR |
| CST-75TP-FRE2 | 75mm | フリー | - | TPR |
| CST-75TP-FRST2 | 75mm | フリー | ● | TPR |
| CST-125ER-FRE2 | 125mm | フリー | - | ゴム |
| CST-125ER-FRST2 | 125mm | フリー | ● | ゴム |
| CST-150ER-FRE2 | 150mm | フリー | - | ゴム |
| CST-150ER-FRST2 | 150mm | フリー | ● | ゴム |
ご希望の仕様に合うキャスターが見つからない場合は、恐れ入りますが通販サイトやホームセンターなどでお探しください。
まとめ
キャスターは日々の使用で摩耗や劣化が進みやすい部品です。
まずは今お使いの台車のキャスターを一度確認し、劣化していないかチェックしてみてください。
走行が重くなったり、異音が出たりした場合は、無理に使い続けず早めの交換を検討しましょう。
同じサイズ・形状のキャスターを選ぶことで、これまで使っていた台車や機器をそのまま活用できます。
ゴム製・ナイロン製・TPR製など、素材によって走行音や床への影響が異なるため、使用環境に合わせた選定が大切です。
サンワサプライでは、用途や設置環境に合わせて選べるキャスターをラインナップしています。
ご紹介した一覧に該当するキャスターが見つからない場合は、恐れ入りますが通販サイトやホームセンターなどでもお探しください。
交換で失敗しやすいポイントは「取付寸法の違い」です。
取付穴の間隔(縦・横)/取付穴径/取付座サイズ/取付高/車輪径を先に測っておくと、対応品をスムーズに絞り込めます。
どれが合うか迷う場合は、使用環境と台車の状態を確認したうえでご案内しますので、お気軽にご相談ください。
台車のキャスター交換でお困りの方へ
複数台のキャスター交換を自分たちで行うのは手間がかかり大変そう。
作業出来るか不安…。できるだけ作業時間を短縮したい。とお考えの方も多いのではないでしょうか。
また、台車本体はまだ使えるため、現在の使用環境に合ったキャスターへ交換して引き続き使用したい
というケースもあるかと思います。
必要な部品だけを交換することで、コストを抑えたメンテナンスが可能です。
交換作業に不安がある場合や、どのキャスターが合うか迷う場合は、
台車の状態や使用環境を確認したうえでサポートしますので、まずはお気軽にご相談ください。
▶ お問い合わせはこちら
難しい作業は
プロに依頼
TEDASUKEでは、
お困りごとの作業を任せられる
プロをご紹介いたします。
必要な道具を持っていない
作業スペースの確保が難しい
作業が難しそうなどの不安がある方は、
ぜひご依頼ください。
台車の動きが重くなったり、使いにくさを感じたとき、
「キャスターを交換したほうがいいのか」「どれを選べばいいのか」迷ったことはありませんか。
キャスターは消耗品のため、交換することで台車を長く使い続けることができますが、
種類やサイズが合っていないと、うまく取り付けできないこともあります。
この記事では、キャスター交換を検討する際に確認しておきたいポイントとして、
キャスターの種類や特徴、台車に対応しているかの確認方法をわかりやすく解説します。